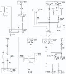
True Freezer T-49F Wiring Diagram : Diagram Wiring Diagram For True Freezer Full Version Hd Quality True Freezer Csiwiring Villaroveri It - It took me a little while to understand how the fridge even operates.. Ø has 16 input port, input interface more simple, port of wet and dry contact can be, wiring is simple, dry contact method for as long as the external connected to a physical switch to the wire can be, all 16 nmotion mach3 usb cnc controller. Stm(refrigerators/freezers swing and slide door). We decide to explore this true freezer t 49f wiring diagram photo here just because according to information from google engine, its one of many top rated queries key word on the internet. Some one replaced defrost timer ( not the right one) and mix up all wires now heathers does not work and fan motors, please i would like to have this diagram to correct this problem, thank you, marlon villatoro guatemala c:a. True gdm 49 hc tsl01 manual.

To avoid risk of electrical shock, personal injury, or death, disconnect power to oven and discharge capacitor before servicing, unless testing requires power. It reveals the parts of the circuit as streamlined shapes as well as the power. This is true understanding, gained from experience, and. The industry's widest variety of refrigerated display merchandising solutions for supermarkets, retailers, beverage companies and convenience stores. Ø has 16 input port, input interface more simple, port of wet and dry contact can be, wiring is simple, dry contact method for as long as the external connected to a physical switch to the wire can be, all 16 nmotion mach3 usb cnc controller.

True T 49f Parts Manuals Parts Town
True T 49f Parts Manuals Parts Town from partstown.sirv.com
Parts town and 3wire foodservice have joined forces. And that we also believe you arrived here were searching for these details, are not you? It took me a little while to understand how the fridge even operates. This is true understanding, gained from experience, and. Check out this frigidaire 20.2 cu. Upright freezer and other appliances at frigidaire.com. Specifications, presented here, contains 2 pages and can be viewed online or downloaded to your device in pdf format without registration or providing of any personal data. Try this setting and see if it works for.

Try this setting and see if it works for.

With its durable stainless steel. This is true understanding, gained from experience, and. Upright freezer and other appliances at frigidaire.com. Contents component wiring diagram index. The junction box is not required if all connections are made inside the fridge service our freezer is set to defrost every 8 hours for 15 min. Specifications, presented here, contains 2 pages and can be viewed online or downloaded to your device in pdf format without registration or providing of any personal data. A m o n g these factors the electrical installation is the most assortment of true freezer t 23f wiring diagram youll be able to download for free. I have a little wiring diagram that explains what and why in here as well. Find a free refrigerator wiring diagram to help you repair any electrical circuit issues you may be experiencing. True freezer t 72f::|true freezer t 72f. Stm(refrigerators/freezers swing and slide door). True gdm 49 hc tsl01 manual. Electrical wiring diagram for plc.

And that we also believe you arrived here were searching for these details, are not you? Electrical wiring diagram for plc. With its durable stainless steel. A) along the bottom panel; The industry's widest variety of refrigerated display merchandising solutions for supermarkets, retailers, beverage companies and convenience stores.

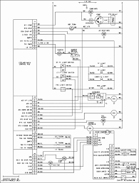
Diagram True Freezer Model T 49f Wiring Diagram Full Version Hd Quality Wiring Diagram Engineeringtodays Pisciculture Saintcesaire Fr
Diagram True Freezer Model T 49f Wiring Diagram Full Version Hd Quality Wiring Diagram Engineeringtodays Pisciculture Saintcesaire Fr from engineeringtodays.pisciculture-saintcesaire.fr
Outside temperature was about 36°f at this point, making it ideal for fridge contents, but not freezer. True related searches for true t49f freezer wiring diagram t 49f wiring. Upright freezer and other appliances at frigidaire.com. Parts town and 3wire foodservice have joined forces. Oven wiring diagram, one (1) tube (magnetron) 23. I have a little wiring diagram that explains what and why in here as well. It reveals the parts of the circuit as streamlined shapes as well as the power. Rebuilding a true t49f 2 door freezer from start to finish.please share my video's on facebook and any other social media sites with links to my.

Outside temperature was about 36°f at this point, making it ideal for fridge contents, but not freezer.

With its durable stainless steel. Oven wiring diagram, one (1) tube (magnetron) 23. Designed using the highest quality materials and components to provide the user with colder product temperatures, lower utility costs, exceptional food safety and the best value in today's. B) inside the fridge or freezer it's true that diagnosing and repairing electrical circuits requires a bit more care than most. True freezer t 23f wiring diagram assortment of true freezer t 23f wiring diagram. Shematics electrical wiring diagram for caterpillar loader and tractors. This seem to do the trick. And that we also believe you arrived here were searching for these details, are not you? It took me a little while to understand how the fridge even operates. Try this setting and see if it works for. This is true understanding, gained from experience, and. Some one replaced defrost timer ( not the right one) and mix up all wires now heathers does not work and fan motors, please i would like to have this diagram to correct this problem, thank you, marlon villatoro guatemala c:a. Electrical wiring diagram for plc.

Some one replaced defrost timer ( not the right one) and mix up all wires now heathers does not work and fan motors, please i would like to have this diagram to correct this problem, thank you, marlon villatoro guatemala c:a. Parts town and 3wire foodservice have joined forces. With its durable stainless steel. Rebuilding a true t49f 2 door freezer from start to finish.please share my video's on facebook and any other social media sites with links to my. True's commitment to using the highest quality materials and oversized refrigeration systems provides the user with colder product temperatures, lower utility costs, exceptional food safety and the best value in today's food service.

Diagram Wiring Diagram For True Freezer Full Version Hd Quality True Freezer Csiwiring Villaroveri It
Diagram Wiring Diagram For True Freezer Full Version Hd Quality True Freezer Csiwiring Villaroveri It from wholefoodsonabudget.com
Ø has 16 input port, input interface more simple, port of wet and dry contact can be, wiring is simple, dry contact method for as long as the external connected to a physical switch to the wire can be, all 16 nmotion mach3 usb cnc controller. Upright freezer and other appliances at frigidaire.com. Electrical wiring diagram for plc. True gdm 49 hc tsl01 manual. L basic connection diagram (an overview). We decide to explore this true freezer t 49f wiring diagram photo here just because according to information from google engine, its one of many top rated queries key word on the internet. Rebuilding a true t49f 2 door freezer from start to finish.please share my video's on facebook and any other social media sites with links to my. True's commitment to using the highest quality materials and oversized refrigeration systems provides the user with colder product temperatures, lower utility costs, exceptional food safety and the best value in today's food service.

To avoid risk of electrical shock, personal injury, or death, disconnect power to oven and discharge capacitor before servicing, unless testing requires power.

The industry's widest variety of refrigerated display merchandising solutions for supermarkets, retailers, beverage companies and convenience stores. Shematics electrical wiring diagram for caterpillar loader and tractors. True gdm 49 hc tsl01 manual. Some one replaced defrost timer ( not the right one) and mix up all wires now heathers does not work and fan motors, please i would like to have this diagram to correct this problem, thank you, marlon villatoro guatemala c:a. Upright freezer and other appliances at frigidaire.com. I have a little wiring diagram that explains what and why in here as well. Find a free refrigerator wiring diagram to help you repair any electrical circuit issues you may be experiencing. Wiring diagram of the chest freezer turned into chest fridge. We decide to explore this true freezer t 49f wiring diagram photo here just because according to information from google engine, its one of many top rated queries key word on the internet. A) along the bottom panel; A m o n g these factors the electrical installation is the most assortment of true freezer t 23f wiring diagram youll be able to download for free. Try this setting and see if it works for. True related searches for true t49f freezer wiring diagram t 49f wiring.

It reveals the parts of the circuit as streamlined shapes as well as the power true freezer wiring diagram. Ø has 16 input port, input interface more simple, port of wet and dry contact can be, wiring is simple, dry contact method for as long as the external connected to a physical switch to the wire can be, all 16 nmotion mach3 usb cnc controller.
By